关于绿能
服务热线
0577-57157777
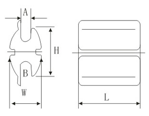
| 型号 | 导线使用范围 | 尺寸(mm) |
压缩 模号 |
压缩 次数 |
重量 (kg) |
|||
| A端适用截面 | B端适用截面 | L | W | H | ||||
| 钢芯铝绞线及铝铜线 | 钢芯铝绞线及铝铜线 | |||||||
| G601O |
16-35 |
16-35 |
38.1 |
17.8 |
28.5 |
O |
2 | 0.14 |
|
G602O |
16-70 |
16-35 |
44.5 |
17.8 |
28.5 |
O |
2 | 0.14 |
|
G603O |
35-70 |
16-35 |
44.5 |
17.8 |
28.5 | O |
2 |
0.12 |
|
G604D |
70-95 | 16-35 |
47.6 |
22.6 |
36.6 |
D |
2 |
0.20 |
|
G605D |
95-120 |
16-35 |
47.6 |
22.6 |
36.6 |
D | 2 | 0.20 |
|
G606D |
70-95 |
50-95 |
47.6 |
22.6 |
36.1 |
D |
2 |
0.17 |
|
G607D |
95-120 |
50-70 |
63.5 |
22.6 |
36.1 |
D |
2 | 0.17 |
|
G608D |
95-120 | 95-120 |
63.5 |
22.6 |
36.1 |
D |
2 |
0.17 |
| G609N | 120-240 |
16-70 |
50.8 | 32.5 |
50.8 |
N |
2 | 0.17 |
| G6010N |
150-240 |
70-120 |
50.8 |
32.5 |
49.8 |
N |
2 |
0.20 |
|
G611N |
150-240 |
120-185 |
88.0 |
32.5 |
50.8 |
N |
2 |
0.30 |
| G612N | 240-240 |
185-240 |
88.0 |
32.5 |
50.8 |
N |
2 |
0.30 |









