欢迎来到绿能电力科技有限公司官网
收藏本站|  语言版本:中文版English
重锤片2

重锤片2

    我要分享:

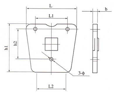
型号
Catalog
No.
主要尺寸Dimensions(mm)
 
重量
Weight(kg)
L L1 L2 h1 h2 b Φ
ZC-18G 350 240 200 300 220 36 24 21.8
ZC-30 380 240 200 300 220 35 24 30.0

其它产品

  • 防振锤

  • 防振锤

  • 组合型防振锤

  • 节能型防振锤

  • 预绞丝护线条

  • 铝包带

  • 悬重锤及其附件

  • 重锤片