关于绿能
服务热线
0577-57157777
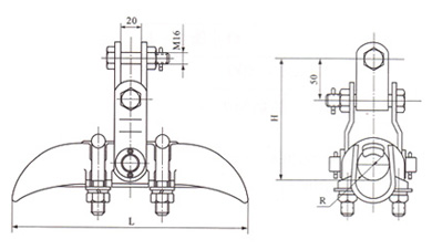
| 型号Catalog No. |
适用导线范围 Applicable Conductor(mm) |
主要尺寸Dimensions(mm) |
标称破坏荷重 Rated Failure load(kN) |
重量 Weight (kg) |
||||
| H | L | R | ||||||
| XGU-5B | 23.0-33.0 | 137 | 300 | 17 | 70 | 5.3 | ||
| XGU-6B | 34.0-45.0 | 143 | 300 | 23 | 70 | 5.8 | ||
| XGU-7B | 45.0-48.7 | 156 | 300 | 26 | 70 | 6.2 | ||
线夹本体和压板为可锻铸铁件,闭口销为不锈钢制件,其余为钢制件、可锻铸铁件和钢制件热镀锌









