欢迎来到绿能电力科技有限公司官网
收藏本站|  语言版本:中文版English
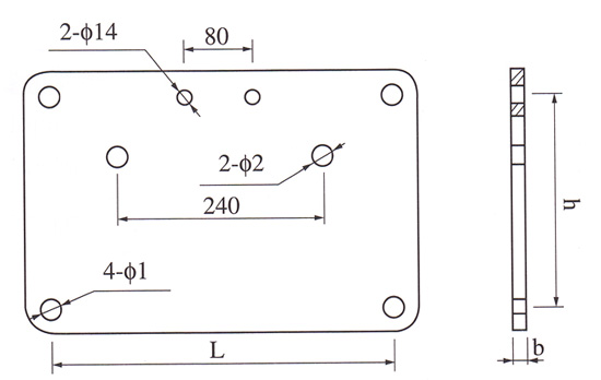
联板5

联板5

    我要分享:

型号
Catalog 
No.
主要尺寸Dimensions(mm) 破坏荷重
Rated Failure
Load≥(KN)
 
参考重量
Weight
(kg)
L h b Φ1 Φ2
LB-1240 400 250 16 18 24 120 17.0
LB-3040 400 120 22 26 14 300 21.0

其它产品

  • 联板1

  • 联板2

  • 联板3

  • 联板

  • 联板6

  • 联板7

  • 联板8

  • 联板9

  • 联板10